
由于信息工業的需求,近年來,隨著市場需求的迅速增長,OCXO已成為一種精確的晶體振蕩。為了適應生產、產品價格和用戶質量的變化,許多國家必須非常準確地界定其生產工藝及標準,除了良好的工作一致性外,振蕩器還在其設計和模擬中廣泛使用,如:寬帶軟件和專門用于...
2022
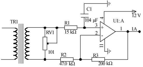
恒溫晶振的主要工作參數是環境溫度、槽內工作溫度和相應的溫度控制精度,在實驗室條件下,很容易提高溫度控制精度,一般情況下,槽內工作溫度應高于環境溫度的允許上限,因此,晶體的零溫度系數點應根據振蕩器的工作溫度來確定和處理各種溫度變化。例如,在移動通信的...
2022
GPS授時技術就是利用接收機接收衛星不斷發出的時鐘參數,GPS接收機接收后發送給單片機再傳給液晶顯示,而單片機如何從接收機中提取出我們需要的事件信息就是該部分的關鍵,因此了解與解析協議格式關系到整個授時功能的實現。 上位機程序主要作用是實現對下位機...
2022
數據采集設計中配電參數采集主要是三相電壓、電流等信號的采集;首先,采集電路采集到變壓器低壓側的電壓和電流量;然后,通過調理運放電路并經過模數轉換芯片進行模數轉換;最后,傳送給單片機進行數據處理;對輸入信號要求是單極性,電壓范圍為0~5 V;為防止信...
2022
電力公司和能源設施對時間和頻率有嚴格的要求,以便有效的傳送和分配動力。然而,由于目前我國配電變壓器分布散落,使得它們在各自的時鐘下工作造成系統時鐘失去同步,進而對整個電力網的時間同步造成嚴重影響,比如不斷出現的停電事故就是因為電網時間的不同步;此外,...
2022
精密晶體及其振蕩器在時頻測控方面是應用數量最多的頻率源,其中的恒溫晶體振蕩器ocxo和溫度補償晶體振蕩器TCXO是具有較高附加值的頻率控制器件,已被普遍應用于***院所、空管***、測量、電力、通訊等各個領域,作為關鍵器件而具有很大的發展潛力。同時,不...
2022
掃一掃咨詢微信客服